技术论坛
  • 技术论坛
  • 02-21

    空压机润滑油常见的三大污染物

    空压机润滑油常见的三大污染物 润滑油被誉为设备的血液,流淌在设备内部,对设备起到润滑减磨、冷却、清洁和防锈等作用。润滑油如果受到污染,会造成润滑失效,设备磨损加剧,进而引起设备故障、缩短设备使用寿命。 润滑油受到污染是一个复杂的问题,有时候日常检查可以发现,有些情况却不能,有些污染不能通过肉眼观察到。而且,对于所有的污染,等到肉眼都能发现时,说明已经很严重。总之,润滑油的污染,要早发现,早处理,尤其对于较为敏感、比较关键的设备。油液检测通过检测油品,可以准确的分析润滑油里的污染物,就像通过血液检测,发现人体的异常情况一样。 1颗粒物 颗粒物是危害最大的一种污染物,它们进入润滑系统内部,会造成磨粒磨损、金属压伤刮伤、金属疲劳。颗粒物一般具有一定的硬度,许多颗粒物的尺寸很微小,能穿过零件之间的间隙,在设备内部循环,造成磨损。常见的颗粒物有灰尘、砂砾、设备运转中产生的细小金属颗粒、锈渣等。 颗粒物污染不但危害设备本身,而且还会缩短润滑油的使用寿命。磨粒磨损会增加油里的金属粉末含量,这些细小的金属颗粒不但进一步磨损设备,而且还会加速润滑油氧化变质,因为金属粉末会催化油品的氧化速度。鉴于这些颗粒物的危害是连锁性的,因此及早监测、及早处理很重要。 油液检测可以发现油液里的细小颗粒物,还可以发现设备的早期磨损。通过检测油液里的颗粒物计数,我们可以了解油液的清洁度、是否进入了颗粒污染物。 如果发现颗粒物进入润滑油,一般的补救措施包括:找到颗粒物从哪里进来的,然后堵住来源,通过过滤,把颗粒物除掉——但是,这个做法不一定都有效。有些时候滤油也很难完全除掉颗粒物,还得把油换掉。 2水分 水分是常见的污染物,虽然危害没有颗粒物严重,但是水分会破坏润滑效果、使油变质、造成设备磨损,水分也会引起金属锈蚀。润滑油里的水分有三种形式:溶解水、乳化水、游离水,其中,乳化水的危害最大。 溶解水就是已经溶解在润滑油里的水分,润滑油具有吸湿性,会吸收空气里的水分,因此会含有少量的水分。一般来说,少量的溶解水不会造成什么危害,除非某些情况对润滑油的含水量要求特别严格。润滑油可以允许的溶解水含量最大值为吸水饱和点,在达到吸水饱和点之前,润滑油里虽然含有水分,但是不会表现出有水的迹象,例如乳化、或者浑浊、透明度降低等。 润滑油里进入水后,如果没有和油分离开,微小的水滴悬浮在油液里成为悬浊液,就成为乳化水,乳化水的危害最大。当润滑油乳化时,含水量已经超过了饱和点。油里含有乳化水时,润滑油的透明度会降低、浑浊,颜色发白甚至变成奶白色。乳化水的危害很大,因为它们可以自由地流动,污染整个润滑系统里的油,另外,水分会破坏油的润滑性。乳化水到达设备运转的承压区域后,这些区域会润滑不良、摩擦加剧而磨损。 当水和润滑油完全分离开后,就成为游离水。游离水的危害相对较小,但是也会引起问题。首先,游离水也可能随着润滑油循环,引起油乳化。另外,油里的水会削弱润滑油的破乳化性,导致泡沫增加,消耗润滑油里的添加剂,缩短润滑油的使用寿命,并且容易滋生细菌,发臭。 水分对设备的危害除了引起润滑不良,还有氢脆、锈蚀。润滑油能防止金属锈蚀,如果油里进水,容易引起金属锈蚀。 水会缩短润滑油的使用寿命,另外水还会造成润滑油里的抗氧化剂流失、消耗,导致润滑油氧化变质。润滑油氧化会形成酸性物质、油泥和漆膜、使油的黏度增加,影响喷溅润滑的效果等等。 当发现润滑油进水时,正确的处理方法是首先找到水分来源,切断来源,然后采取除水措施,严重时最好换油,最好通过油液检测来确定。 3混入其它润滑油 使用润滑油时,应该避免与其它油品混用。但是有些情况,比如泄露、加油时用错润滑油(润滑油粘度选择错误或者添加剂类型选错)、残油过多等等,都会造成不同的润滑油混合。 例如,矿物油与常规的PAG合成油(非油溶性PAG)不能相容。这两种油如果相混,会导致混合后的油粘度增加,并形成油泥,其它现象还有酸值升高、滤芯被油泥堵塞。同时,由于发生相混导致润滑不良,还会发生设备磨损。 当润滑油里混入其他油类,解决的方法是换油并冲洗润滑系统,不能使用过滤的方法除掉。 使用错误配方类型的润滑油也是一个常见问题,可能是换油时不小心加错油,或者直接就是选油错误。例如,如果设备需要的是极压型润滑油(EP)或者抗磨型润滑油(AW),而用户误加成一般的抗氧防锈型油品,就会造成设备运行中磨损。 如果对润滑油的抗乳化性有较高要求的设备里,混入了加有清净分散剂的油品,那么油的抗乳化性/油水分离性会削弱。例如汽轮机油里混入了发动机油,1升的机油混入7000升的汽轮机油里,就可以破坏汽轮机油的抗乳化性,因此千万要避免润滑油相混。对于这种情况,需要把油都换掉,并且冲洗润滑系统。(摘自网络)

  • 02-21

    冷干机冰堵的原因和解决方法!

    冷干机冰堵的原因和解决方法! 由于冷干机处理量大于空压机产气量,而在天冷温度偏低时容易造成的一种干燥机内部管路冰堵现象,以下针对具体冰堵原因提出针对性的解决方法。 1 用空气打压试压时带进了水分 空气里都含有水分,只不过是湿度不同所含的水分不一样罢了。倘若柜体内的温度和蒸发器的温度比较高比较干燥,打压空气中的水分不易凝结成水滴,抽空时水汽就会随同气流被排出系统。 倘若柜体温度很低也就是蒸发器温度很低,(有时修冷藏柜时里面还有冰),打压时带进去的水分就会形成水滴或在蒸发器管道里形成冰霜附着在管道内。 这样的冰霜是不会在抽空时被排出体外的。只有把冷藏柜内的冰全部去除掉,再用烘烤的方法使蒸发器温度升高,使管内的水滴,冰霜汽化再抽空排出体外。也可配合加入雪种再抽空的方法处理。 2 用蒸发器有漏点,在制冷压缩机工作时从漏点吸入了水分,修复蒸发器后管路里仍存在水分 配合加入制冷剂,加温烘烤抽空处理。 3 蒸发器有漏点,在制冷压缩机工作时从漏点吸入了水分,这些水分水滴被吸进了制冷压缩机,因为水比油重,这些水滴沉在制冷压缩机底部被冷冻油封住,很难一下子全部蒸发出来,这就是令人头疼的顽固冰堵的重要原因。 解决办法是让制冷压缩机运转发热,使冷冻油温度升高,水分在转子的旋转和温度升高的冷冻油中慢慢析出,连续抽空,加雪种试机,倘若还有冰堵的现象,重复以上程序,直到排除冰堵。

  • 02-21

    压缩机油的颜色与品质有关系吗

    压缩机油的颜色与品质有关系吗 空压机视油镜的设置,就是便于了解润滑油的剩余量、颜色。那我们能否从润滑油的颜色,判断设备是否故障呢?我们知道,如果是同一润滑油,根据时间刻度趋势,是可以分析判断润滑油质量的变化。因为,颜色的变化意味着其化学成分发生了变化或者有污染物了。如果不是同一类油品,却不能仅根据颜色来判断其油品质量。所以,润滑油的颜色与其主要原料有关,其颜色与油品质量没有直接对应的关系。 基础油 基础油根据加工深度不同,颜色也不相同。I类油多呈现淡黄色,但经过加氢深度处理提炼的II、III类基础油,以及采取化学法制备的合成油,如PAO、酯类油、聚醚类等,会含有更少芳香烃等杂质,他们的颜色会相对浅一些,能够达到如同水一样的透亮! 添加剂 添加剂影响在空压机油当中就有:粘度指数改进剂,极压抗磨剂,抗氧化剂,抗泡剂,防锈剂,抗乳化剂等等。所有这些添加剂都有各自不同的颜色。当添加剂和基础油调合后,体现在润滑油的颜色就会有不同的变化,或更深(如棕色),或更浅。 染色剂 染色剂的影响,有时要在某些润滑油、润滑脂当中加入某种特定染色剂以改变它们的本来颜色。这么做的目的是为了起到警示作用,用以区别其他润滑油,还有就是营销因素,用来区别不同的产品品牌,染色剂不会起到任何润滑保护的作用。比如英格索兰是淡红色,寿力是绿色,阿特拉斯是透亮白,阿普达油的主打颜色是微黄透亮 ,此外还有无色透亮等各种,阿普达还可根据客户需求单独定制油品的颜色。 空压机油在使用过程中,油品均会产生颜色变化,由浅至深,这是一种普遍现象。某些用户直接将油品出现的颜色变深与油品品质问题混淆,立刻换油,这是不科学的。空压机油何时需更换,除从外观判断外,还需从粘度,酸值,不溶物含量等综合指标的变化测试判断,或粗略的根据现场服务人员的经验,从稠度,气味,外观,初步判定,有时油品外观看似良好,但已严重结胶老化,如仅从外观判定,易造成资源浪费或忽视实际出现的真正风险。 关于喷油螺杆式空气压缩机油使用中颜色变深的原因及解决方案如下表: 序号 原因描述 解决方案 1 高品质油品中的某些有效成分在光和热的作用下,易产生颜色变化,但不影响实际使用效果。市场中某些产品使用中颜色变化相对缓慢,是以牺牲其使用寿命和使用效果为代价,如运行工况苛刻,对油品使用寿命和效果有要求的场合,实不可取。 不影响正常使用。 2 油品本身品质问题,易老化变质,直接造成油品颜色变深,此种情况,需专业判定。 换用品质好的油品。 3 旧油残留,亦造成油品颜色变深。 排净旧油,必要时采用带压放油,或用1/3—2/3新油清洗系统。 4 油品清净性较好,将系统中原附着的积碳或油泥清洗下来,加深了油品颜色。 压缩机油如果出现积碳或积胶,及时进行彻底清洗,必要 时拆机清洗。矿物型空压机油建议1-2年进行一次系统清洗。 5 原出现过积碳或积胶,未彻底清洗干净,换用新油后,这些物质溶入新油中加深了油品颜色。 压缩机油如果出现积碳或积胶,及时进行彻底清洗,必要 时拆机清洗,免影响传热和机器的良好运行及油品正常使用。 6 环境的影响,如粉尘,特别是金属屑进入系统。催化油品老化,加深油品颜色,此处环境中的化学物质,如酸、碱、溶剂等进入系统,也会加速油品老化,使得油品颜色变深。 压缩机房选在上风口,且进气口尽量避开粉尘或化学气体集中区。高粉尘可在进气口另设过滤装置,油品的选择上推荐选用对环境适应性更强的特殊空压机油。 7 空压机运行温度偏高,高温下油品温度易加深。 检查造成机器高温运行的原因,并逐一排除。 上述第7条,空压机运行温度偏高的原因和预防措施如下表: 序号 原因描述 解决方案 1 油位过低 补足空压机油,使油位达到厂家要求。 2 冷却系统问题: A冷却器散热不良,如堵死,效率低。 B油冷却器堵塞。 C冷却风扇故障或冷却风量不足。 D排风管道不畅或排风阻力大(背风) E冷却水流不畅(负压) F冷却水进口温度过高, A清洗或吹扫散热器,严重时更换。 B拆开清洗。 C维修风扇。 D清洁。 E检查水循环系统。 F检查水循环冷却系统。 3 恒温阀卡死,油温传感器失效、故障。 更换。

  • 02-21

    润滑油乳化与哪些因素有关,如何防止?

    润滑油乳化与哪些因素有关,如何防止? “现代工业是骑在10μm油膜上的”,这句话充分体现了润滑对于现代工业的重要性。如果说机器设备是基础,那么润滑则是保证机器设备正常运行的基础。 润滑油的乳化与危害 润滑油的抗乳化性是指油品遇水不乳化,或虽是乳化但经过静置,油水能迅速分离的性能。空压机润滑油乳化后机器运行容易高温、主机的轴承和转子得不到充分的润滑容易磨损。 导致润滑油乳化的原因 空压机组运行温度是否偏低,机组较理想的运行温度75℃~95℃。机组运行温度低会使机组内的水蒸气无法蒸发排出机组。长时间运行机组就会出现润滑油乳化的现象。 空压机配置也会出现机组润滑油乳化的现象。如:空压机出口管道高于空压机出口,这样空压机停机时,系统内的水会倒流回空压机导致机组润滑油乳化。 如果润滑油基础油的精制深度不够,抗乳化添加剂降解,抗乳化性也就较差,尤其是当润滑油中含有一些表面活性物质时,如清净分散剂、油性剂、极压剂、胶质、沥青质及尘土粒等亲油剂和亲水基物质时,很容易发生乳化现象。 主要的解决与预防措施 对于空压机来说,控制混入油中的水量对防止油品乳化的作用不可忽视,机头排气口较高的排气温度有利于阻止水蒸汽的过早凝析,减少液态水的产生。 但是对空压机循环系统中的润滑油,还是不可避免要和冷却水或蒸汽接触。这就要求做好如下几点: 油品有良好的抗乳化性,能迅速实现油——水分离; 润滑油在调合、使用、保管和储运过程中,避免杂质混入和污染; 随着时间增长,油品的氧化、酸性的增加、杂质的混人都会使油品抗乳化性变差,需要对油品及时处理或者更换; 基础油精制及加入复合抗乳化剂也是提高润滑油的抗乳化性能的有力措施。

  • 02-21

    制药工厂的空压机站房设计有哪些注意点

    制药工厂的空压机站房设计有哪些注意点 1、 引言 新建或改建一个制药工厂,设计是一项重要工作,其中包括制药工艺、设备、土建、空调、给排水、动力等方面,是多种专业配合的整体工作。制药工厂设计与机械工厂设计比较,有许多特殊之处,本文仅就制药工厂压缩空气系统设计方面的问题,结合近年来的一些设计实践做一简述。 2、 制药工厂压缩空气的用途及品质要求 2.1压缩空气主要用途 在制药工厂中,压缩空气主要用于液体制剂中的灌装机,固体制剂中的制粒机、加浆机、填充机、包装机、印字机,提取工艺中的提取罐,此外,还有化验中使用气、物料输送、干燥、吹扫、气动仪表、自动控制用气等等。上述所述的压缩空气用途中,很多情况下压缩空气与药品直接接触,所以,在制药工厂设计中对压缩空气的品质有着严格的要求。 2.2压缩空气品质控制的必要性 制药工厂压缩空气的品质主要是控制其含水量、含油量、含尘粒量和含生物粒子量,同时还要求压缩空气无气味。 含有油份的压缩空气直接与药物接触会污染药物。含有液态水滴的压缩空气会使管道阀门和设备产生锈蚀,水滴锈渍同样也会污染药物,影响药品质量。 空气中含有大量尘粒和微生物粒子,对医药工业来说,微粒特别是尘粒会直接影响药品质量,进而危及人们生命安全。微生物(生物粒子)对人体的危害更强,微生物多指细菌和真菌,污染药品后不但会使药品本身染菌、变质,一旦误用,无论从肠道或非肠道进入人体,都会直接影响人体健康,其后果更为严重。所以制药工厂所用压缩空气必须以微粒和微生物为主要控制对象,这一点就是制药工厂与只控制微粒的其他工厂(如电子、机械工厂等)的主要区别之一。 2.3压缩空气品质控制指标 a、仪表、自动控制等用气的质量标准可由GB/T13277-91《一般用压缩空气质量等级》(等效采用ISO8573/1)中查出。这个标准根据固体粒子尺寸和含量、水蒸气含量及含油量4项控制指标划分质量等级,见表1。 表1 压缩空气中颗粒、油、水质量等级 名称 等级 1 2 3 4 5 6 颗粒尺寸(μm) 0.1 1 5 40 - - 颗粒含量(mg/m3) 0.1 1 5 10 - - 水含量(压力露点)℃ -70 -40 -20 3 7 10 油含量(mg/m3) 0.01 0.1 1 5 25 - 对于仪表、自动控制用压缩空气的质量等级要求,推荐4项指标为2.3.3级,具体指标为:颗粒尺寸最大1μm颗粒含量1mg/m3,水含量(压力露点)最高-20℃,油含量最大值1mg/m3。 b、制药用压缩空气质量指标 目前,对于制药用压缩空气还没有相关的质量标准,等效采用的国际标准ISO8573/1的GB/T13277-97,明确医用压缩空气不包括在本标准之内。多数资料文献中仅有定性的一般要求,缺少具体的控制指标。 根据近年来的实践,我们在工程设计中对制药工厂压缩空气质量指标是这样确定的: 对于固体粒子,目前医药工业生物洁净室最高等级为0.5μm、100级,故与之相适应,压缩空气的洁净等级应定为小于0.5μm、100级。我们在设计中一般采用GB/T13277-97中的1级,即颗粒尺寸为0.1μm,颗粒含量为0.1mg/m3。 对于压缩空气中的水汽含量,通常以压力露点或常压露点表示。为了防止系统中有凝结水存在,露点温度一般取干燥后的压缩空气管线和用气设备,可能遇到的最低温度再加-5~-10℃。所以,在天津地区压力露点值可取5~-20℃。 对于含油量主要是控制压缩空气中的油滴、悬浮油雾和油蒸气。我们在设计中,参考国家标准中食品饮料加工对压缩空气品质的要求,即控制最大含油量为0.01mg/m3。 对于生物粒子,根据固体粒子指标确定为0.5μm、100级时,比照采用生物100级洁净室微生物的控制指标,达到小于等于1CFU/m3(培养法、菌落数)即可,此时检出活菌的可能甚微。 3、 制药工厂压缩空气站设计 3.1压缩空气站工艺流程的确定 制药工厂压缩空气站的工艺流程的确定 制药工厂压缩空气站的工艺流程如下:吸气过滤器——空压机——后冷却器——储气罐——前置过滤器——精密过滤器——干燥装置——后置过滤器——除味过滤器——灭菌过滤器——输气管网 以上工艺流程根据制药工厂的不同规模,空压机的不同类型及对压缩空气品质的不同要求等而有不同的取舍,设计时应仔细研究和分析用户的用气指标要求及用气特点,然后制定出合理的压缩空气站工艺系统。 3.2空压机类型的确定 通常使用的空压机有活塞式、螺杆式和离心式三种。离心式空压机单台容量大,调节范围在70~100%在 小气量时易发生喘振,故该机型对制药工厂不适应。活塞式空压机虽然价格较低,但机组结构尺寸大、需牢固的混凝土基础,易损件多、维修工作量大,噪声和震动也较大且自动化水平较低,故近年来制药工厂已较少采用。螺杆式空压机结构尺寸小,仅需轻型基础,无脉冲气流,震动噪声低,维修量小自控水平高,故我们在制 药工厂设计中多采用螺杆式空压机。 3.3干燥装置的选择 制药工厂对于压缩空气水分的要求各有不同,如小型自动化水平较低的中药制药厂,要求压缩空气的压力露点5~10℃即可。而自动化水平较高,气动控制仪表和装置较多的大、中型制药厂,要求压缩空气的压力露点达到-20~-40℃。 压缩空气的干燥方式,一般可分为冷冻式和吸附式二种。在压缩空气的压力露点要求大于等于3℃时,则采用吸附式干燥机或冷冻式+吸附式组合干燥装置。 此外还应注意,在选择干燥装置时不能只根据铭牌数据选用设备,而应考虑设备入口压缩空气温度、压力及环境温度对干燥器出力的影响。 3.4过滤器的选择 常用过滤器的分类、工作原理、结构和在净化系统中的作用见表2。 表2 压缩空气过滤器分类、原理、结构和作用 分类 基本原理与结构 作用 前置过滤器 惯性碰撞为主,中效纤维,烧结材料 滤除1μm以上颗粒 精密过滤器 扩散拦截效应为主,超细纤维组合 滤除0.01~1μm以上微粒 超精密过滤器 扩散效应为主,超细纤维组合 滤除0.01μm以上微粒 活性炭过滤器 两级活性炭吸附+超细纤维过滤 滤除油蒸气、臭味 灭菌过滤器 扩散效应为主,超高效、耐湿热材料 滤除细菌、噬菌类 选用过滤器应根据其不同的作用、性能和精度进行组合,同时还应根据压缩空气的温度、压力对其处理气量进行修正。 3.5空压站系统及站房设计 在空压站的工艺系统设计和站房布置上,应考虑以下几个问题: A、 采用冷冻式干燥机时,前置过滤器应布置在冷干机的上游,从而避免压缩空气中含有大量液态水、粒径不等的固体粉尘及油污、油蒸气等杂质直接进入冷干机,将使冷干机工作状态恶化。 B、 如果采用吸附式干燥机时,其上游应设除油过滤器,滤除压缩空气中的油污,防止干燥剂“中毒”失效。下游应布置后置过滤器,用于消除干燥剂粉尘等污染。 C、 采用冷冻式干燥机时,还应注意空压机的排气温度,如果空压机的排气温度超过冷干机允许进气温度时,应选用高温型冷干机。 D、 站房的通风设计 在制药工厂空压站设计中,我们通常采用风冷式螺杆压缩机室内吸气,此时站房的通风措施至关重要。因为通风不足,会使空压机的流量下降,达不到额定出力。室温过高会使空压机启动困难,而且还会导致空压机护罩内的热量积聚,引起电机过热甚至烧坏,从而诱发火灾危险。 对于空压站的通风,我们的设计中通常的做法是:在空压机间的外墙下方设置进风口(百叶窗),百叶窗的数量和面积根据站房容量计算确定。百叶窗与室外地面的距离一般大于等于300mm, 以防溅雨,百叶窗设置朝向尽可能在阴凉面,同时避免和排风口设在同一侧,以防冷热风短路。在风冷式空压机的冷却风排风出口上安排排风管,将冷却风引至室外。同时在空压机间的外墙上设置机械排风扇进行全室通风。通过以上措施,有效地降低了空压机间的温度,从而保证了空压机及其辅助设备的正常运行。 4、 车间及厂区压缩空气管网的设计 制药工厂车间压缩空气管道一般采用架空敷设,且其主要干管和支管均敷设在技术夹层内,在无菌洁净区明管、立管和阀门应尽可能减少。厂区管道可采用架空或直埋敷设,直埋敷设应根据土壤的腐蚀性采取防腐措施。 管道及其阀门附件均采用不锈钢材料,以00Cr17Ni14Mo2(316L)不锈钢材质为最佳,必要时可对管道进行内外抛光处理。 采用不锈钢管材时,不锈钢管不得与碳钢制的管架直接接触,以免因电位差而造成腐蚀核心。因此管架应涂以良好的绝缘漆,或在管路与管架间垫以其他绝缘材料,如石棉板、橡胶板、塑料板等。 来源:制药业声明:本文转载自网络,文章内容仅供学习、交流之用,空压机网对文中观点保持中立。文章版权归原作者及平台所有。如有侵权,请联系删除

  • 02-21

    电工必须掌握的两个基础电路

    电工必须掌握的两个基础电路 1、点动电路 学习点动电路,我们需要准备的器件有:一个2P的小型断路器,一个交流接触器,一个自复式按钮(有一对常开触点)。 第1步,我们先从小型断路器引出一根线,和按钮相连,从按钮出来的一根线,我们接到交流接触器的线圈。 第2步,从线圈出来的一根线,我们接到2P断路器的另一个端子。 这样一个完整的点动电路就完成了,当我们按下按钮的时候,交流接触器吸合,当我们松开按钮的时候,交流接触器就会恢复原状。 这样一个典型的,点动电路就完成了。 其实在点动电路当中,最关键的就是,是自复式的按钮。当我们按下按钮的时候,电路接通,当我们松开的时候,电路断开。 2、自锁电路 一个简单的自锁电路需要这些器件,一个2P的小型断路器,一个交流接触器,两个自复式按钮一红一绿,分别用于停止和启动。 注意,红色按钮是一对常闭触点,绿色按钮是一对常开触点。 第1步,我们从断路器的一个端子引出一根线,依次把红色按钮的常闭触点,和绿色按钮的常开触点,串联起来。 第2步,从绿色按钮出来的一根线,我们接到交流接触器的的线圈,从线圈出来的一根线,我们直接接到断路器的另外一个端子。 接完之后,这实际上就是一个带有停止按钮的电动电路。 要使电路在我们松开启动按钮之后,还能保持电路畅通,就必须有另外一条路给交流接触器的线圈持续供电。 第3步,我们从启动按钮的进线端子处引出一根线,接到交流接触器的常开辅助触点,从辅助触点另一个端子出来的一根线,我们接到启动按钮的出线端子上。 这样,当我们按下启动按钮的时候,交流接触器的主触点和辅助触点同时闭合,当我们松开启动按钮的时候,由于交流接触器的辅助触点是闭合的,所以,电流就可以通过辅助触点到达交流接触器的线圈,从而维持电源的供给,使交流接触器线圈所在的电路始终处于通路状态。 自锁电路的关键点在于交流接触器的常开辅助触点,它和启动按钮的常开触点,形成了开关的并联。

  • 02-21

    压力容器的设计,为什么会做成这些奇怪外形

    压力容器的设计,为什么会做成这些奇怪外形 压力容器的设计,为什么会做成这些奇怪外形,原因究竟是什么?你知道什么情景下用的压力容器要做成球形的吗?今天我们一起来打开压力容器的世界吧! 压力容器是盛装气体或者液体,承载一定压力的密闭设备,通常是由筒体、封头、法兰、密封元件、开孔及接管和支座以及其他各种内件组成,而且压力容器的分类方法有很多种,按照几何形状分的话,主要有圆筒形容器、球形容器、矩形容器以及组合式容器四种。 形状分类是最直观划分压力容器类型的方法,所以今天材料小博士就按照形状的划分,跟大家讲一讲不同形状的压力容器的区别和作用在哪里。 1.圆筒形压力容器 圆筒形压力容器的基本构造为筒体封头、接管、人手孔、支座,它的主要优点是制造容易、便于在内部设置工艺内件,因此,生产量和使用量都比球形容器、方形容器大。 圆筒形容器都应用在石油、液化等方面,一般液化石油气储罐小型的制成这类圆筒形,大型的话则是用不同的几何容器来储罐制作的。 2.球形容器 球形容器又称球罐,壳体呈球形。是贮存和运输各种气体、液体、液化气体的一种有效、经济的压力容器。 与圆筒形容器相比,主要优点是:受力均匀;在同样壁厚条件下,球罐的承载能力最高,在相同容积条件下,球形容器的表面积最小,由于壁厚、表面积小等原因,一般要比圆筒形容器节约更多钢材。主要缺点是制造施工比较复杂。在化工、石油、炼油、造船及城市煤气工业等领域大量应用。 3.矩形容器 矩形容器又叫方形容器,一般承载压力较小的气体或液体,现在这类容器的形状设计相对较少,因为方形容器容易变形导致事故发生,而且设计矩形容器的成本要高于圆形容器,所以现在矩形容器是相对比较少见的。 但是方形容器有个优点,它具有充分的稳定性和牢固性,适合于贮存或运输很敏感的粉末材料。以上就是几种比较常出现的压力容器形状,压力容器的用途极为广泛,它在工业、民用、军工等具有重要的作用。在化学工业与石油化学工业中用最多,比如这个空气压缩机。各类专用压缩机及制冷压缩机的辅机,像冷却器、缓冲器、油水分离器、贮气罐、蒸发器、液体冷陈剂贮罐等,这些都是属于压力容器。 最后用表格给大家总结出来这几类容器的优缺点,方便大家收藏记忆!! 压力容器的最终设计和它的运算及应用方向是有很大关联的,一个不小心,不仅增加容器制造成本,也容易引发事故,所以关于压力容器的一个设计,相关部门也要予以重视。来源:压力容器图书馆声明:本文转载自网络,文章内容仅供学习、交流之用,空压机网对文中观点保持中立。文章版权归原作者及平台所有。如有侵权,请联系删除

  • 02-17

    什么是电路的主回路?什么是控制回路?它们之间有什么区别?

    什么是电路的主回路?什么是控制回路?它们之间有什么区别? 经常有初学电工的朋友问我什么是主回路?什么是控制回路?它们之间有什么区别?又有什么联系?那么咱们在这里就彻底搞明白这个问题。 以自保电路为例: 自保电路 红圈内的就是自保电路的主回路,篮圈内就是控制回路。 下面是实物图: 主回路包括:开关、主回路保险、主回路线(黄、绿、红)、接触器(主触点)、热继电器(主端子)、控接线端子、电缆、电机。 控制回路包括:控制回路保险、控制回路线(黑色)、按钮、接触器辅助触点和线圈、热继电器辅助触点。 电路当中,要想让电机转动,就必须给电机接线柱通入三相交流电,如图所示,合上电源开关,三相交流电通过黄绿红三根主回路线流经主回路保险、接触器主触点、热继电器主端子、接线端子、电缆、最后到电机接线柱,只要接触器吸合,接通,电机就会转动,接触器释放,电机就停止,这就是主回路。但接触器怎么才能吸合呢?www.diangon.com就需要控制回路控制接触器,控制回路给接触器线圈通电,接触器就吸合,断电就释放。控制电流通过控制保险,黑色控制线、按钮、热继电器辅助触点、接触器辅助触点、到接触器线圈,按下启动按钮,接触器线圈通电,吸合,主触点闭合,控制主回路接通。按下停止按钮,接触器线圈断电,释放,主触点断开,主回路断电。这就是主回路和控制回路的关系。 但是,也不能单纯的说控制回路控制主回路的。因为从图中也可以看出,主回路也会控制控制回路。比如,电机堵转,主回路中电流过大,超过热继电器整定值,热继电器就会动作,辅助触点断开,控制回路就会断电。所以,主回路和控制回路相互控制、相互制约。希望您通过这个例子可以搞清楚主回路和控制回路

  • 02-17

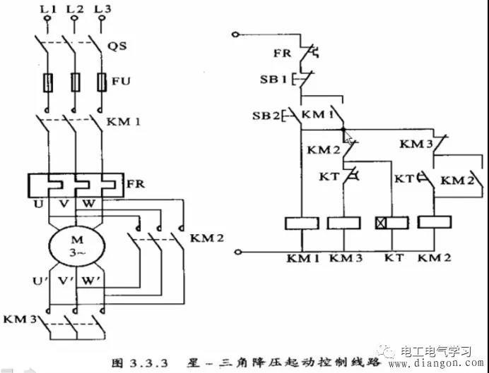
    看不懂电动机星三角降压启动电路图?4张图让你彻底搞清楚

    看不懂电动机星三角降压启动电路图?4张图让你彻底搞清楚 星三角降压启动电路是继电器控制系统中比较经典的一个电路,初学的朋友可能觉得有点难度,下面咱们就用图解的方式讲解一下这个电路图。 图1 图1即为星三角降压启动电路图,QS为断路器,KM1主接触器,KM2星形连接接触器,KM3角形连接接触器,FR热继电器,KT时间继电器(通电延时型),SB1停止按钮,SB2启动按钮。 给图中带电部分标上颜色。 图2 图2,合上断路器QS。 图3 图3,按下启动按钮SB2,从图中红色线可以看出,主接触器KM1吸合,自保。然后,电流同过KM3常闭、KT常闭到星形接触器KM2线圈,KM2吸合,同时时间继电器KT线圈也得电吸合。KM1、KM2吸合将电机接成星形接法,启动。KT吸合开始延时,比如设定延时时间为10秒。 图4 图4, 延时10秒以后,KT常闭断开,常开闭合,KM2线圈失电释放,KM2常闭恢复闭合,图中可以看出,KM3线圈得电吸合,自保。KM3常闭断开,KT线圈断电。这时电机转换成角形连接运行。完成了星三角启动。 电动机星三角转换启动原理图解 就是对电机的三相绕组在启动时和正常运转时施加的不同的电压,来降低电机启动时的冲击电流。在启动时对电机绕组施加的是星形接法的电源,就是将电源的三条火线分别与电机三个绕组的一个端点相连,将电机三个绕组的另一个端点同时与电源的零线相连,在这种接法下,电机每个绕组所承接的电压就是220V。由于施加的电压较低,所以启动时的电流会比较小点,减少了对电网的冲击,电机也比较容易启动。当电机启动基本正常后,它的工作电流与启动时相比会大幅减少,这时由控制电路通过时间继电器和接触器的转换,将电机三个绕组改成首尾相连,形成所谓三角形连接,并将三角形的每个“角”与电源的三条火线相连,这时电机绕组中所受到的电压变成了380V,电机就能满负荷工作。  三相异步电动机的三角接法和星型接法区别 (把123看为首,456视为尾,首首相连为Y(星)型接法,首尾相连为角型接法)    两种接法,与我们的接入没什么关系, 如 图2和3, D1。D2。D3接A。B。C三相,具体的区别是电动机接线盒中的不同, 三个接线片,一般不进行随便修改,我们只要了解他们的区别就行,图2是星型,图3是角型   电动机内部有三组绕组,六个接线端,当把三个绕组的一端连在一起,而另一端分别接电源,连成一个Y型,就是星型接法;这时候电源两相之间的电流是相电流,比线电流小根3倍;  如果把三组绕组的首尾相连,然后三个首尾相连处接电源,连成一个三角形,就是三角形接法;这时候电源两相之间的电流就是线电流,比相电流大根3倍;通常的星三角启动方式目的就是减小启动电流,而通常电机启动的瞬间电流比较大,所以一般先以Y型启动,再转换为三角形。  究竟采用哪种接法,需要看电机铭牌,这和绕组有关系。  如果标有380V或者400V,后面画一个三角 就三角型接法,画Y就星型接法;大部分电机默认三角形接法,也有一些是380V下以Y型运行的。  区别电动机三角接法的功率较大,一般是7.5KW以上采用(也有人说是4KW)星型接法的功率小, 三角接法的电动机劲很大.但是对电网冲击很大,一旦启动,周围的灯泡都要暗2下,所以三角接法的电动机很少直接启动,一般采用降压启动、自偶减压启动、变频启动(我只见过变频启动,不过还没搞明白) 电动机的接法是可以调整的,当电机的铭牌上出现Y/△标志的时候就可以调整了,一般来说,星型接法的电机的电压是三角接法的1.73倍 如Y/△660/380..         注意区分,Y/△和Y—△     ...Y—△ 的意思的电动机的启动方式是星三角启动。

  • 02-17

    交流接触器怎么接线?交流接触器接线技巧

    交流接触器怎么接线?交流接触器接线技巧 交流接触器如何接线? 1、3、5接三相电源,(主电路部分) 2、4、6接三相电机 A1、A2 是这个接触器的线圈,接到控制电路里面去,通过控制这个接触器的线圈(A1、A2)来实现控制住电路部分的电机(以小控大)。 13、14表示这个接触器的辅助触点,NO表示为常开,也就是没通电的情况下13、14是断开的,通电后13、14是闭合的。放在控制电路部分用来自锁(并联在启动按钮上),达到连续运行的目的。 首先电源三相分别接接触器的主触点L1,L2,L3,再从接触器的T1,T2,T3接出三根线接电机的三个接线柱,以上是主电路。 控制电路:从L1引出一根线接停止按钮(停止按钮是常闭的,启动按钮是常开的,这个应该知道吧!)从停止按钮出来接启动按钮一端和接触器辅助触点的一端,然后从启动按钮的另一端接辅助触点的另一端(这部分也就是自锁),从这一端出来的线接线圈A1,线圈A2出线接L2或L3。 首先我们先了解施耐德交流接触器的几个基本常识交流接触器有两个基本东西,主触头和辅助出头,主触头故名思议就是用来和用电器接触的或者接在主回路上,辅助触头就是接在控制回路上,用来控制主回路的。

  • «
  • 1
  • 2
  • ...
  • 19
  • 20
  • 21
  • 22
  • 23
  • 24
  • 25
  • ...
  • 34
  • 35
  • »
  • 正品保障

    正品保障、提供发票

  • 超低价格

    超低平台价、低于市场价

  • 急速物流

    如约发货、极速送达

  • 购买无忧

    大客户通道、一对一沟通

  • 积分兑换规则
  • 会员常见问题
  • 佣金说明
  • 支付方式
  • 网站使用条款
  • 用户服务协议
  • 用户隐私协议
  • 公司介绍

服务热线

18995136564

周一至周日9:00-18:00

扫码关注享受更多优惠

版权所有:西安派乐特空气净化有限公司 备案号:陕ICP备17007817号-5