
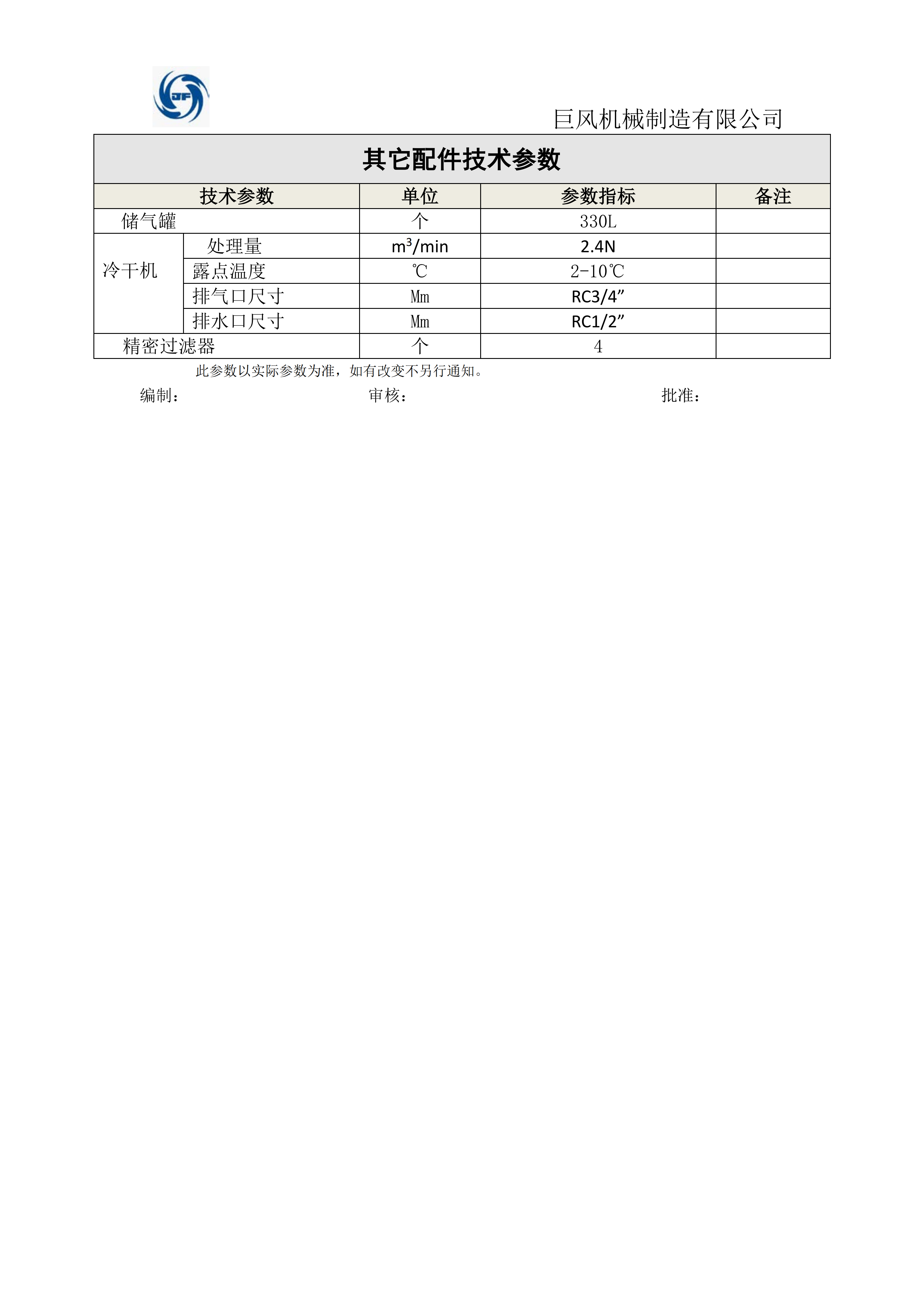
巨风22KW激光切割永磁一体四合一变频空压机30A
赠送积分:0
收藏
数量:
加入购物车
立即购买
会员价购买


